Product Summary
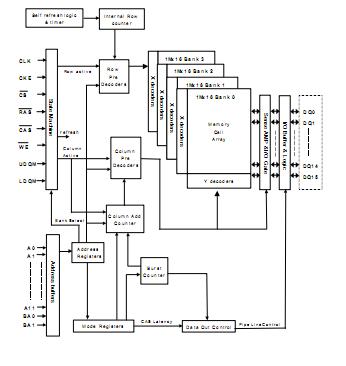
The HY57V641620HGT-5 is a 67,108,864-bit CMOS Synchronous DRAM, ideally suited for the main memory applications which require large memory density and high bandwidth. The HY57V641620HGT-5 is organized as 4banks of 1,048,576x16. The HY57V641620HGT-5 is offering fully synchronous operation referenced to a positive edge of the clock. All inputs and outputs are synchronized with the rising edge of the clock input.
Parametrics
HY57V641620HGT-5 absolute maximum ratings: (1)Ambient Temperature TA: 0 ~ 70 °C; (2)Storage Temperature TSTG: -55 ~ 125 °C; (3)Voltage on Any Pin relative to V SS V IN, V OUT: -1.0 ~ 4.6 V; (4)Voltage on V DD relative to V SS V DD, V DDQ: -1.0 ~ 4.6 V; (5)Short Circuit Output Current IOS: 50 mA; (6)Power Dissipation P D: 1 W; (7)Soldering Temperature × Time TSOLDER: 260 × 10°C × Sec.
Features
HY57V641620HGT-5 features: (1)Single 3.3±0.3V power supply ; (2)All device pins are compatible with LVTTL interface; (3)JEDEC standard 400mil 54pin TSOP-II with 0.8mm of pin pitch; (4)All inputs and outputs referenced to positive edge of system clock; (5)Data mask function by UDQM or LDQM; (6)Internal four banks operation.
Diagrams

![]() |
![]() HY57V121620(L)T |
![]() Other |
![]() |
![]() Data Sheet |
![]() Negotiable |
|
||||
![]() |
![]() HY57V161610D |
![]() Other |
![]() |
![]() Data Sheet |
![]() Negotiable |
|
||||
![]() |
![]() HY57V161610D-I |
![]() Other |
![]() |
![]() Data Sheet |
![]() Negotiable |
|
||||
![]() |
![]() HY57V161610E |
![]() Other |
![]() |
![]() Data Sheet |
![]() Negotiable |
|
||||
![]() |
![]() HY57V161610ET-I |
![]() Other |
![]() |
![]() Data Sheet |
![]() Negotiable |
|
||||
![]() |
![]() HY57V161610ETP-I |
![]() Other |
![]() |
![]() Data Sheet |
![]() Negotiable |
|
||||
(China (Mainland))








