Product Summary
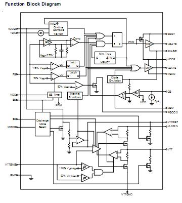
The RT8207GQW is a Complete DDRII/DDRIII Memory Power Supply Controller. It provides a complete power supply for both DDRII/DDRIII memory systems. The RT8207GQW integrates a synchronous PWM buck controller with a 3A sink/source tracking linear regulator and a buffered low noise reference. The applications of the RT8207GQW are DDRII/DDRIII Memory Power Supplies, Notebook Computers, SSTL18, SSTL15 and HSTL Bus Termination.
Parametrics
RT8207GQW absolute maximum ratings: (1)DC:-0.3V to 32V; (2)<20ns:-8V to 38V; (3)PHASE to BOOT:–6V to 0.3V; (4)VDD, VDDP, CS, MODE, S3, S5, VTTSNS, VDDQ, DEM to GND:–0.3V to 6V; (5)VTTREF, VTT, VLDOIN, FB, PGOOD to GND:–0.3V to 6V; (6)Junction Temperature:150°C; (7)Lead Temperature (Soldering, 10 sec.):260°C; (8)Storage Temperature Range:–65°C to 150°C.
Features
RT8207GQW features: (1)Battery Input Range 2.5V to 26V; (2)Resistor Programmable Frequency; (3)Over/Under Voltage Protection; (4)4 Steps Current Limit During Soft-Start; (5)Drives Large Synchronous-Rectifier FETs; (6)Power-Good Indicator; (7)3A LDO (VTT), Buffered Reference (VTTREF); (8)Capable to Sink and Source Up to 3A; (9)LDO Input Available to Optimize Power Losses; (10)Requires Only 20μ μ μ μ μF Ceramic Output Capacitor; (11)Buffered Low Noise 10mA VTTREF Output; (12)Accuracy ± ± ± ± ±20mV for Both VTTREF and VTT; (13)Supports High-Z in S3 and Soft-Off in S4/S5.
Diagrams

| Image | Part No | Mfg | Description | ![]() |
Pricing (USD) |
Quantity | ||||||||||||||||||
|---|---|---|---|---|---|---|---|---|---|---|---|---|---|---|---|---|---|---|---|---|---|---|---|---|
![]() |
![]() RT8207GQW |
![]() |
![]() IC CTRLR DDR2/3 MEM PS 24WQFN |
![]() Data Sheet |
![]()
|
|
||||||||||||||||||
| Image | Part No | Mfg | Description | ![]() |
Pricing (USD) |
Quantity | ||||||||||||||||||
![]() |
![]() RT8202AGQW |
![]() |
![]() IC REG CTRLR BUCK PWM CM 16WQFN |
![]() Data Sheet |
![]()
|
|
||||||||||||||||||
![]() |
![]() RT8202GQW |
![]() |
![]() IC REG CTRLR BUCK PWM CM 16WQFN |
![]() Data Sheet |
![]()
|
|
||||||||||||||||||
![]() |
![]() RT8203 |
![]() Other |
![]() |
![]() Data Sheet |
![]() Negotiable |
|
||||||||||||||||||
![]() |
![]() RT8203GA |
![]() |
![]() IC CTRLR SMPS STPDN DUAL 28SSOP |
![]() Data Sheet |
![]()
|
|
||||||||||||||||||
![]() |
![]() RT8204 |
![]() Other |
![]() |
![]() Data Sheet |
![]() Negotiable |
|
||||||||||||||||||
![]() |
![]() RT8204AGQW |
![]() |
![]() IC REG DL BCK/LINEAR SYNC 16WQFN |
![]() Data Sheet |
![]()
|
|
||||||||||||||||||
(China (Mainland))









